华体会体育

旋启式止回阀
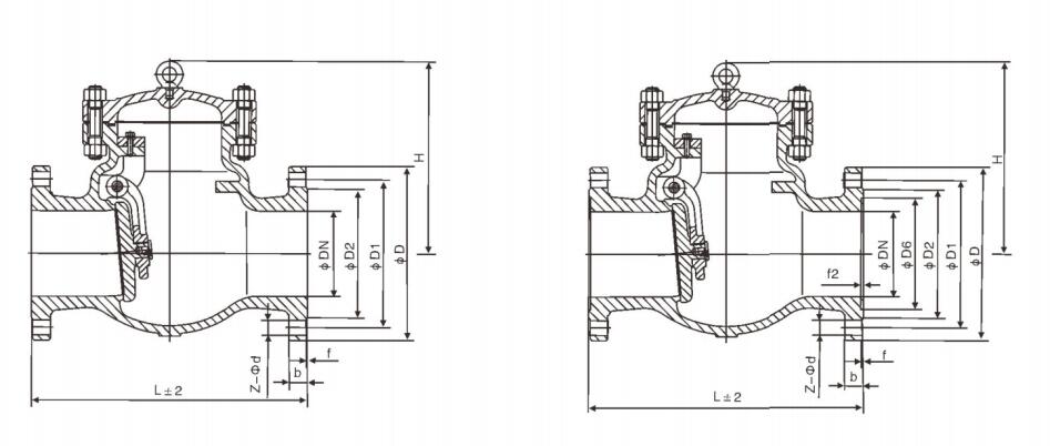
止回阀

旋启式止回阀

免费获取报价
加盟热线

0577-85885681

旋启式止回阀

免费获取报价
加盟热线

0577-85885681

产品介绍

1、产品按国家标准GB12236设计制造,结构合理,密封可靠,性能优良。

2、阀瓣和阀座的密封面用铁基合金或司太立(stellite )钴基硬质合金雄焊而成,耐磨、耐高温、耐腐蚀。抗擦伤性能好,使用寿命长。

3、可采用各种配管法兰标准及法密封面型式,满足各种工程需要及用户要求。

4、阀体材料品种齐全,垫片可根据实际工况或用户要求合理选配,能适用于各种压力、温度及介质工况。

5、阀瓣围绕阀座外的销旋转,减少关闭时发生猛烈冲击。

6、销轴与阀瓣连接采用内装式结构,不存在外泄漏点,使用更可靠。

技术参数


工程案例
现在展示
现在展示
现场案例
28
27
26
25
24
23
18
16
14
12
9
7
5
4
2
1
在线留言 如果你对我们的产品感兴趣或者有任何问题, 均可在此留言, 我们将热忱为您服务!

姓名:

电话:

公司:

邮箱:

想要了解的产品资料: