
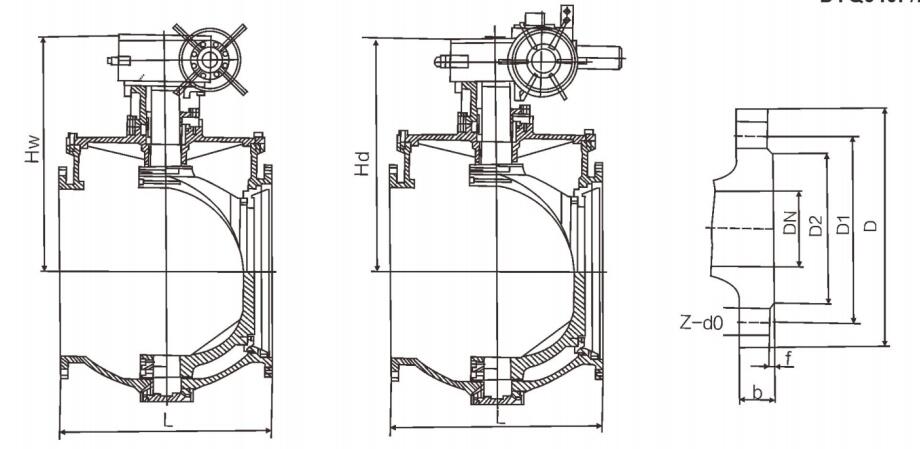
上装式偏心半球阀是在吸收消化国内外的先进技术而研发成功的新产品,它是将金属球冠固定在偏心球体上,通过偏心曲轴的90度旋转,实现阀门的启闭,与金属球冠密封面接触的金属阀座在轴向和径向浮动,以补偿球冠与阀座的配合。该阀应用于石油、化工、电力和冶金等行业,阀门结构采用偏心楔紧原理,通过传动机构达到闸紧、调节、关闭的目的,密封圈与球冠都是金属面环带硬面接触密封,双偏心结构阀门在开启时球体藏于阀腔内,流通截面大,且阀门不被冲刷,流阻小。关闭时阀芯不被冲刷,关闭时阀芯球面沿.座渐进,具有剪切功能,有效地切除结垢障碍,实现可靠密封。它对容易结垢的介质输送特别有效。本阀半球是将金属球冠固定在偏心球体上,在球体上装不同合金的球冠,阀座也作相应堆焊合金,经特殊的处理,密封面组合成防腐、耐磨、耐高温等各种类型,满足不同场合需求。阀座与球冠留有补偿量,当阀座磨损后,关闭时再转动少许,仍能可靠密封,延长使用寿命。本阀的大的特点是在工况装置系统卸压后,阀门可在线检查和维修,检修时只需打开阀盖吊出球冠和支承体而不必将整个阀门从管道上卸下来。
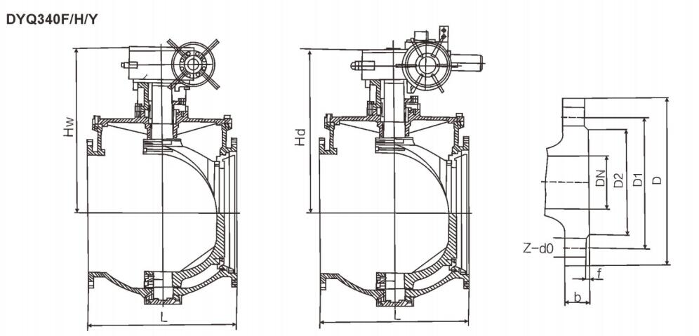
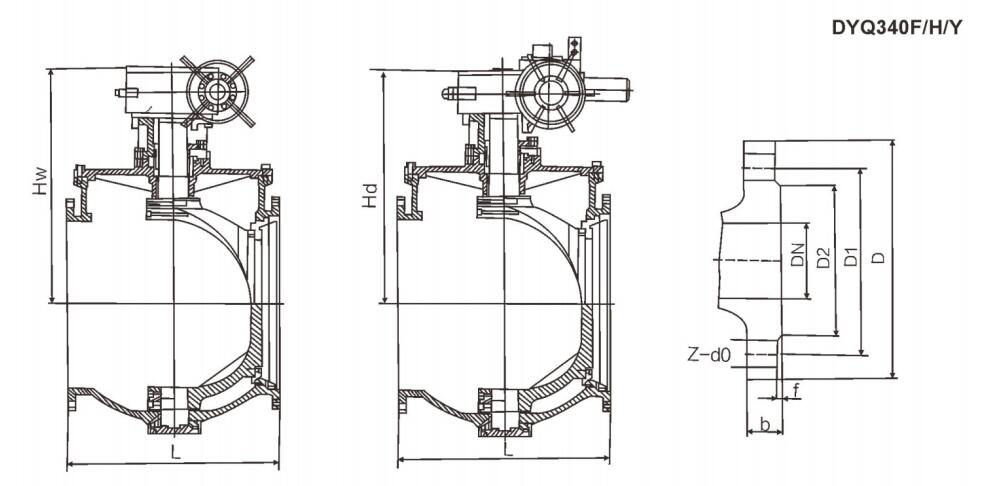
上装式偏心半球阀是在吸收消化国内外的先进技术而研发成功的新产品,它是将金属球冠固定在偏心球体上,通过偏心曲轴的90度旋转,实现阀门的启闭,与金属球冠密封面接触的金属阀座在轴向和径向浮动,以补偿球冠与阀座的配合。该阀应用于石油、化工、电力和冶金等行业,阀门结构采用偏心楔紧原理,通过传动机构达到闸紧、调节、关闭的目的,密封圈与球冠都是金属面环带硬面接触密封,双偏心结构阀门在开启时球体藏于阀腔内,流通截面大,且阀门不被冲刷,流阻小。关闭时阀芯不被冲刷,关闭时阀芯球面沿.座渐进,具有剪切功能,有效地切除结垢障碍,实现可靠密封。它对容易结垢的介质输送特别有效。本阀半球是将金属球冠固定在偏心球体上,在球体上装不同合金的球冠,阀座也作相应堆焊合金,经特殊的处理,密封面组合成防腐、耐磨、耐高温等各种类型,满足不同场合需求。阀座与球冠留有补偿量,当阀座磨损后,关闭时再转动少许,仍能可靠密封,延长使用寿命。本阀的最大的特点是在工况装置系统卸压后,阀门可在线检查和维修,检修时只需打开阀盖吊出球冠和支承体而不必将整个阀门从管道上卸下来。








