
作者:admin 发布时间:2022-07-20 浏览量:294
蝶阀的种类有很多,根据连接方式、密封材料,使用环境等不同,可分为软密封蝶阀、硬密封蝶阀、气动蝶阀、螺纹蝶阀、焊接式蝶阀等。如此多类型的蝶阀,给用户提供了一个更大的选择空间,更好选择合适工况的蝶阀,提高生产效率。今天我们主要讲讲硬密封蝶阀的复检。
我们知道,硬密封蝶阀在出厂前便已经过严格调试,但是当用户收到产品时,部分产品可能还是会出现一些问题,所以,用户还是需要对硬密封蝶阀复检和调试的,这就要求用户对这方面的知识具备一定的了解。
1、产品出厂前均经过严格的调试。用户在复检密封性能时,要先将硬密封蝶阀进出口堵住,对进口侧施加压力,观察出口侧有无渗漏现象;然后检查管道的强度,应打开蝶板,以防止损坏密封。
2、硬密封蝶阀虽然严格检验和试验,但也有个别产品在运输过程中紧固件会松脱,需要重新调整,请阅读配套设备的说明书。
3、若硬密封蝶阀的驱动选择的是电动装置,为防止电源连接到一个错误的方向,用户在一次开关阀门时,先手动打开至半开位置,检查电动开关指示盘方向与阀门关闭在方向是否相同。
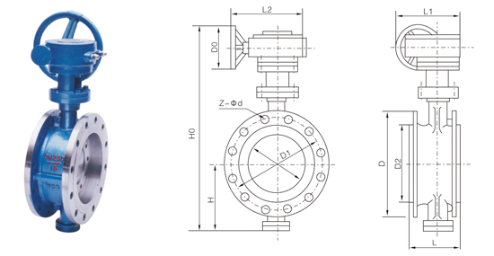
金属密封蝶阀
上一篇:浅述全焊接球阀密封失效原因
下一篇:我国管道系统中硬密封蝶阀的应用