
作者:admin 发布时间:2022-07-20 浏览量:268
蝶阀根据内部结构的使用材料的不同可以分为硬密封蝶阀和软密封蝶阀。硬密封蝶阀主要适用于城市煤气,蒸汽,天然气和城市冷热空气的管道上。软密封蝶阀的使用范围并没有那么广泛,它主要运用于水电,化工炼金,石油输送等领域得到较为广泛的使用。软密封蝶阀的密封材料为合成橡胶和塑料,由于结构和材料的问题,它不能够适用于高温,高压的工作环境下。硬密封蝶阀的密封材料一般采用合成金属制成,能够适用于高温高压的工作环境。
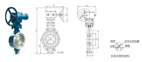
蜗轮传动对夹式金属硬密封蝶阀
上一篇:全焊接球阀的使用
下一篇:焊接式燃气球阀与长输管道