华体会体育

全焊接球阀
全焊接球阀

全焊接球阀

一一不需要维护,调整及润滑,易于安装,在低运行费用下长期可靠运行。

——阀杆可以加长、易于保温。

——操作手柄可以拆下,换向安装。

——阀体不含沉重且不可靠的铸件。

——安装调节机构,非常简便。

免费获取报价
加盟热线

0577-85885681

全焊接球阀

一一不需要维护,调整及润滑,易于安装,在低运行费用下长期可靠运行。

——阀杆可以加长、易于保温。

——操作手柄可以拆下,换向安装。

——阀体不含沉重且不可靠的铸件。

——安装调节机构,非常简便。

免费获取报价
加盟热线

0577-85885681

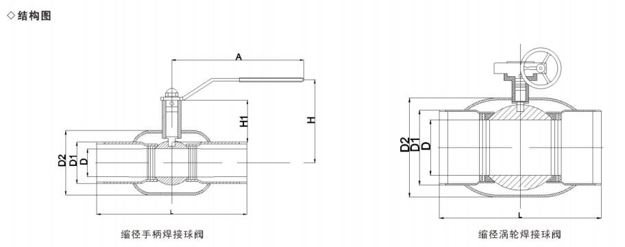
产品介绍

阀门是由全焊的阀体和碳增强特氟隆密封垫组成,可以在频繁操作,有杂质及化学物质的情况下长寿命运行。研磨精细的不锈钢球体可以保证多年开闭自如,运行可靠。

采用浮球结构,斜面弹性垫圈保证密封圈紧压在球体之上,即使在压力不稳定的情况下,阀门可以保证严密。

产品特点

一一不需要维护,调整及润滑,易于安装,在低运行费用下长期可靠运行。

——阀杆可以加长、易于保温。

——操作手柄可以拆下,换向安装。

——阀体不含沉重且不可靠的铸件。

——安装调节机构,非常简便。

技术参数

工程案例
现在展示
现在展示
现场案例
28
27
26
25
24
23
18
16
14
12
9
7
5
4
2
1
在线留言 如果你对我们的产品感兴趣或者有任何问题, 均可在此留言, 我们将热忱为您服务!

姓名:

电话:

公司:

邮箱:

想要了解的产品资料: