华体会体育

华体会体育-华体会体育·(中国)官方网站
华体会体育-华体会体育·(中国)官方网站
  • 地址:温州经济技术开发区滨海园区三道三路570-2
  • 电话:0577-85885681
  • 传真:0577-86830681
  • 邮编:325025
华体会体育 >> 行业动态 >> 硬密封蝶阀与软密封蝶阀的适用范围

硬密封蝶阀与软密封蝶阀的适用范围

来源:本站原创 作者:master 发布时间:2017-5-8 10:05:11 点击数:
    蝶阀是运用于低压管道之中,起到启闭和调节的作用的调节阀。蝶阀的启闭件是圆盘,利用圆盘绕阀轴旋转来完成开启和关闭动作的,一般适用的管道介质为空气,蒸汽,水和一些酸碱等等。

    蝶阀根据内部结构的使用材料的不同可以分为硬密封蝶阀和软密封蝶阀。硬密封蝶阀主要适用于城市煤气,蒸汽,天然气和城市冷热空气的管道上。软密封蝶阀的使用范围并没有那么广泛,它主要运用于水电,化工炼金,石油输送等领域得到较为广泛的使用。软密封蝶阀的密封材料为合成橡胶和塑料,由于结构和材料的问题,它不能够适用于高温,高压的工作环境下。硬密封蝶阀的密封材料一般采用合成金属制成,能够适用于高温高压的工作环境。


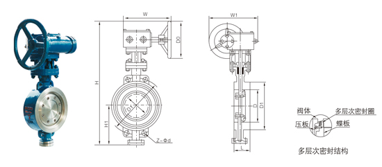
蜗轮传动对夹式金属硬密封蝶阀

蜗轮传动对夹式金属硬密封蝶阀

商标 九特微信公众平台
主营:全焊接球阀、埋地式全焊接球阀、焊接式球阀、硬密封蝶阀、双向压硬密封蝶阀
地址:温州经济技术开发区滨海园区三道三路570-2    联系电话:0577-85885681    
传真:0577-86830681    邮箱:     邮编:325025
Copyright © 2015 华体会体育-华体会体育·(中国)官方网站 All Rights Reserved   网站地图 
技术支持:温州中网
分享到:
分享到 QQ空间 新浪微博 腾讯微博 人人 微信