华体会体育

焊接蝶阀
蝶阀

焊接蝶阀

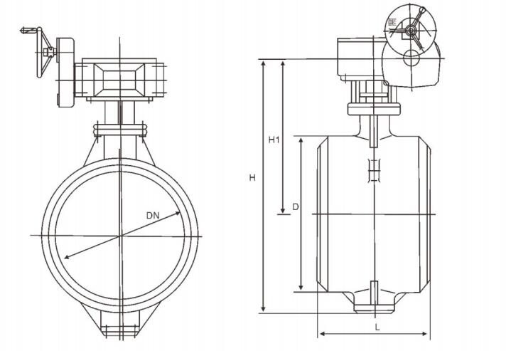
用途:本蝶阀系吸收、消化国外技术。采用三维偏心多层次金属密封结构,适用介质温度≤550℃冶金、电力、石油化工以及给排水等管道上作调节流量和截断流体的最佳装置。

免费获取报价
加盟热线

0577-85885681

焊接蝶阀

用途:本蝶阀系吸收、消化国外技术。采用三维偏心多层次金属密封结构,适用介质温度≤550℃冶金、电力、石油化工以及给排水等管道上作调节流量和截断流体的最佳装置。

免费获取报价
加盟热线

0577-85885681

产品介绍

用途:本蝶阀系吸收、消化国外技术。采用三维偏心多层次金属密封结构,适用介质温度≤550℃冶金、电力、石油化工以及给排水等管道上作调节流量和截断流体的佳装置。

特点:1、蝶板密封圈为软硬层叠式金属片,具有金属硬密封和弹性密封的双重优点,无论在低温和高温情况下,均具有优良的密封性能。

          2、采用三维偏心结构,阀座与蝶板几乎无磨擦,具有越关越紧的密封功能。

          3、阀体密封面,采用堆焊不锈钢、钴基硬质合金,密封面耐磨损。使用寿命长。

          4、结构 ,操作灵活、省力、方便、不受介质压力的高、低影响,密封性能可靠,使用寿命长。通常的双偏心蝶阀像b(偏离管道中心)和a(偏离密封面中心线)所示的那样,目的是减少阀座与密封件之间大约15行程的摩擦。

HPV增加了一个 的偏心角β,倾斜的锥形不仅克服了阀门启闭中密封件和阀座之间所有接触摩擦,从而增加使用寿命,而且通过外加力矩的改变可以任意调整其密封比压,使密封更为可靠,绝不出现过关现象。

产品特点

1、蝶板密封圈为软硬层叠式金属片,具有金属硬密封和弹性密封的双重优点,无论在低温和高温情况下,均具有优良的密封性能。

2、采用三维偏心结构,阀座与蝶板几乎无磨擦,具有越关越紧的密封功能。

3、阀体密封面,采用堆焊不锈钢、钴基硬质合金,密封面耐磨损。使用寿命长。

4、结构独特,操作灵活、省力、方便、不受介质压力的高、低影响,密封性能可靠,使用寿命长。通常的双偏心蝶阀像b(偏离管道中心)和a(偏离密封面中心线)所示的那样,目的是减少阀座与密封件之间大约15行程的摩擦。

HPV增加了一个独特的偏心角β,倾斜的锥形不仅克服了阀门启闭中密封件和阀座之间所有接触摩擦,从而增加使用寿命,而且通过外加力矩的改变可以任意调整其密封比压,使密封更为可靠,绝不出现过关现象。

技术参数

工程案例
现在展示
现在展示
现场案例
28
27
26
25
24
23
18
16
14
12
9
7
5
4
2
1
在线留言 如果你对我们的产品感兴趣或者有任何问题, 均可在此留言, 我们将热忱为您服务!

姓名:

电话:

公司:

邮箱:

想要了解的产品资料: