
用途:本蝶阀系吸收、消化国外技术。采用三维偏心多层次金属密封结构,适用介质温度≤550℃冶金、电力、石油化工以及给排水等管道上作调节流量和截断流体的装置。
0577-85885681
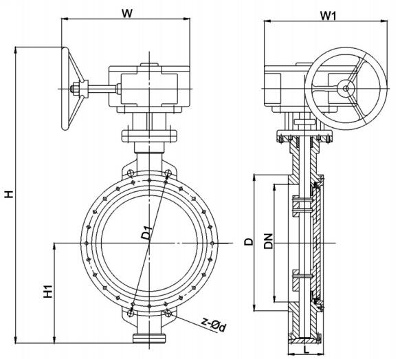
用途:本蝶阀系吸收、消化国外技术。采用三维偏心多层次金属密封结构,适用介质温度≤550℃冶金、电力、石油化工以及给排水等管道上作调节流量和截断流体的佳装置。
特点:1、蝶板密封圈为软硬层叠式金属片,具有金属硬密封和弹性密封的双重优点,无论在低温和高温情况下,均具有优良的密封性能。
2、采用三维偏心结构,阀座与蝶板几乎无磨擦,具有越关越紧的密封功能。
3、阀体密封面,采用堆焊不锈钢、钴基硬质合金,密封面耐磨损。使用寿命长。
4、结构 ,操作灵活、省力、方便、不受介质压力的高、低影响,密封性能可靠,使用寿命长。通常的双偏心蝶阀像b(偏离管道中心)和a(偏离密封面中心线)所示的那样,目的是减少阀座与密封件之间大约15行程的摩擦。
HPV增加了一个 的偏心角β,倾斜的锥形不仅克服了阀门启闭中密封件和阀座之间所有接触摩擦,从而增加使用寿命,而且通过外加力矩的改变可以任意调整其密封比压,使密封更为可靠,绝不出现过关现象。
特点:1、蝶板密封圈为软硬层叠式金属片,具有金属硬密封和弹性密封的双重优点,无论在低温和高温情况下,均具有优良的密封性能。
2、采用三维偏心结构,阀座与蝶板几乎无磨擦,具有越关越紧的密封功能。
3、阀体密封面,采用堆焊不锈钢、钴基硬质合金,密封面耐磨损。使用寿命长。
4、操作灵活、省力、方便、不受介质压力的高、低影响,密封性能可靠,使用寿命长。通常的双偏心蝶阀像b(偏离管道中心)和a(偏离密封面中心线)所示的那样,目的是减少阀座与密封件之间大约15行程的摩擦。
HPV增加了一个偏心角β,倾斜的锥形不仅克服了阀门启闭中密封件和阀座之间所有接触摩擦,从而增加使用寿命,而且通过外加力矩的改变可以任意调整其密封比压,使密封更为可靠,绝不出现过关现象。

