
应用规范:
1、设计、制造按GB/T12238-1989
2、结构长度按GB/T12221-2005
3、连接法兰:GB/T9113-2000
4、阀门检查和试验按JB/T9092-1999
产品特点及用途:
本蝶阀是一种一阀两用的产品,集伸缩器和法兰式蝶阀于一体。它能在一定范围内可轴向伸缩,有利于管道热胀冷缩、消除管道振动及在一定角度范围内客服管道对接不同轴而产生的偏移,能极大的方便阀门管路的安装和拆卸,提高经济效益。适用于食品、饮料、医药、纯净管路及工业环保、水处理、高层建筑、给排水管路作启闭调节介质流量之用。
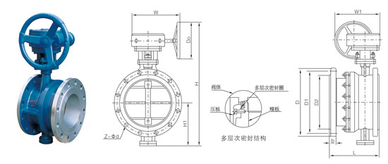
SD343H-10C 主要外形和链接尺寸